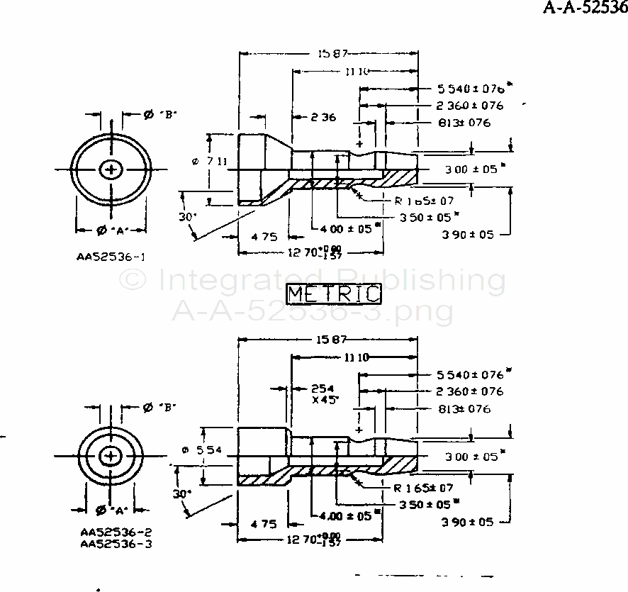
A-A-52536

|
PIN |
MS Part No. |
Former Part No. |
Wire gage |
Inch-Pound |
|
|
“A” DIA ± 0.05 |
“B” DIA ± 0.05 |
||||
|
AA525236-1 |
MS27148-1 |
572930 |
12 |
6.40 |
2.49 |
|
AA525236-2 |
MS27148-2 |
572929 |
14 |
4.50 |
2.18 |
|
AA525236-3 |
MS27148-3 |
572931 |
16 |
4.06 |
1.80 |
NOTES:
1. Dimensions are in mm. Unless otherwise specified, tolerances are ± .18 mm and 1 degree (°) angle.
2. The use of asterisks (*) indicates that dimensions are covered by international agreements (see 6.4).
FIGURE 1. Electrical contact design and construction. –Contiued.
For Parts Inquires call Parts Hangar, Inc (727) 493-0744
© Copyright 2015 Integrated Publishing, Inc.
A Service Disabled Veteran Owned Small Business