
A-A-55485/3C
Inches
mm
.005
0.13
.010
0.25
.020
0.51
.025
0.64
.030
0.76
.032
0.81
.040
1.02
.080
2.03
.100
2.54
.120
3.05
.200
5.08
.215
5.46
.250
6.35
Inches
mm
.010
0.25
.020
0.51
.025
0.64
.050
1.27
.150
3.81
.225
5.72
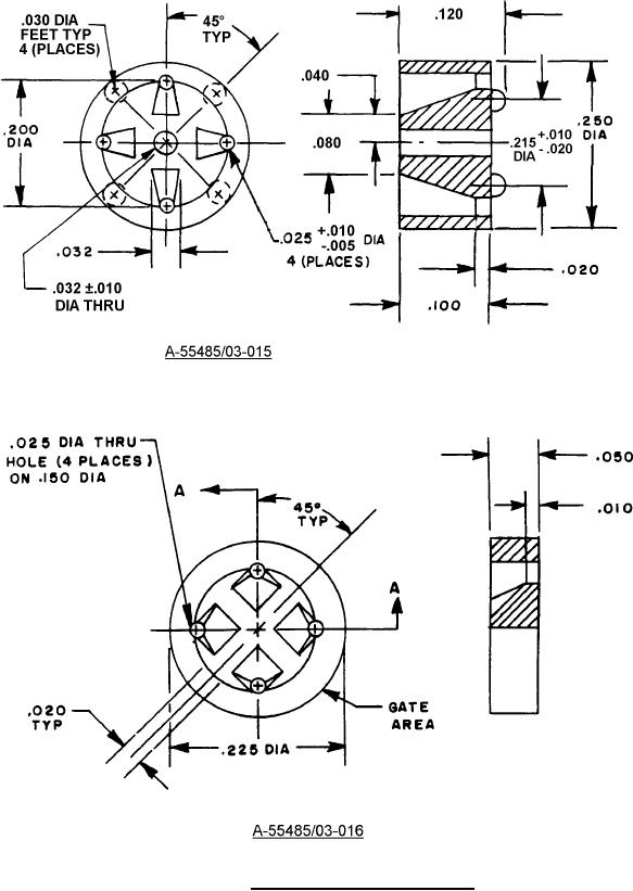
Figure 1. Configurations and dimensions - Continued.
9
For Parts Inquires call Parts Hangar, Inc (727) 493-0744
© Copyright 2015 Integrated Publishing, Inc.
A Service Disabled Veteran Owned Small Business