
INCH POUND
MIL-DTL-83413/7E
12 December 2012
SUPERSEDING
MIL-DTL-83413/7D
30 January 2011
DETAIL SPECIFICATION SHEET
CONNECTORS AND ASSEMBLIES, ELECTRICAL, AIRCRAFT
GROUNDING: GROUNDING CLAMP CONNECTOR FOR TYPES I AND III
GROUNDING ASSEMBLIES, CLIP, ELECTRICAL
This specification is approved for used by all Departments and Agencies of the Department of Defense.
The requirements for acquiring the product described herein shall consist of this specification sheet and
MIL-DTL-83413.
AIA/NASM171401
SETSCREWS
2 REQD
.118 ± .005 DIA X .75
DEEP (2 HOLES)
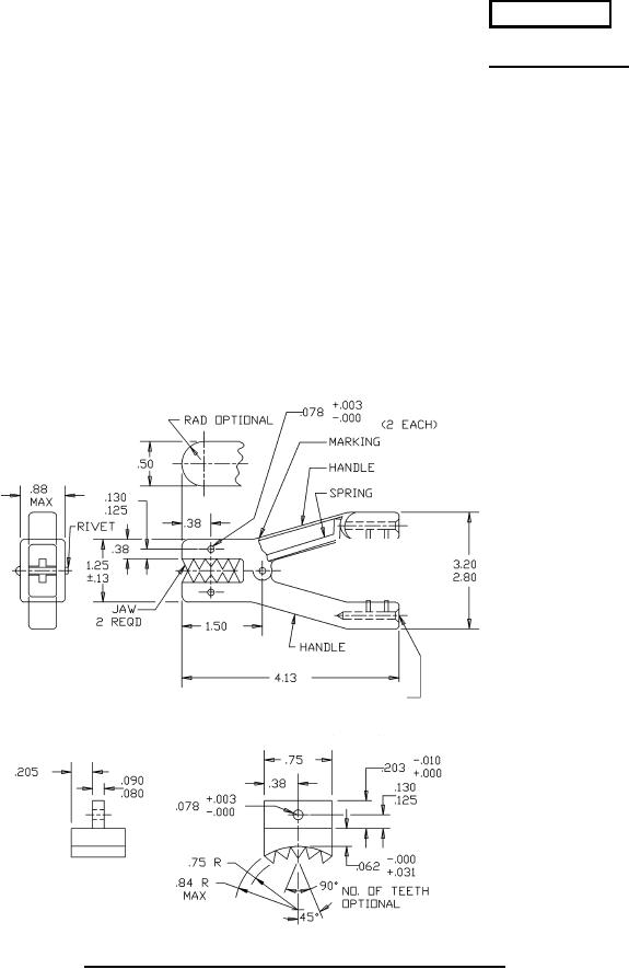
FIGURE 1. Grounding clamp, for types I and III grounding assemblies.
AMSC N/A
FSC 5999
For Parts Inquires call Parts Hangar, Inc (727) 493-0744
© Copyright 2015 Integrated Publishing, Inc.
A Service Disabled Veteran Owned Small Business