
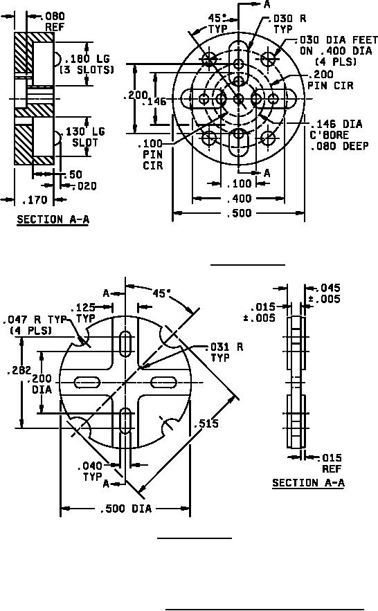
A-A-55485/10B
Inches
mm
.020
0.51
.030
0.76
.050
1.27
.100
2.54
.146
3.71
.170
4.32
.180
4.57
.200
5.08
.400
10.16
.500
12.70
A-55485/10-003
Inches
mm
.005
0.13
.015
0.38
.031
0.79
.040
1.02
.045
1.14
.047
1.19
.125
3.18
.200
5.08
.292
7.42
.550
12.70
.515
13.08
A-55485/10-004
FIGURE 1. Configurations and dimensions - Continued.
3
For Parts Inquires call Parts Hangar, Inc (727) 493-0744
© Copyright 2015 Integrated Publishing, Inc.
A Service Disabled Veteran Owned Small Business