
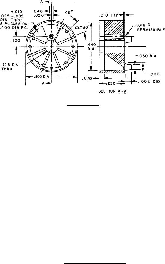
A-A-55485/4A
A-55485/04-001
Inches
mm
.005
0.13
.010
0.25
.016
0.41
.020
0.51
.025
0.64
.040
1.02
.045
1.14
.050
1.27
.060
1.52
.070
1.78
.100
2.54
.250
6.35
.400
10.16
.440
11.18
.500
12.70
FIGURE 1. Configurations and dimensions.
2
For Parts Inquires call Parts Hangar, Inc (727) 493-0744
© Copyright 2015 Integrated Publishing, Inc.
A Service Disabled Veteran Owned Small Business