
A-A-55485/5A
A-55485/05-014
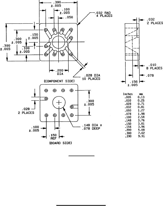
NOTES:
1. Dimensions are in inches.
2. Metric equivalents are given for general information only.
3. Tolerance on height of pad shall be ±.015 (0.38 mm).
4. Unless otherwise specified, tolerances are ±.010 (0.25 mm) for decimals and ±1° on angles. A .010
(0.25 mm) radius is permissible on corners and edges. A 1° draft is permitted on sides.
FIGURE 1. Configurations and dimensions - Continued.
10
For Parts Inquires call Parts Hangar, Inc (727) 493-0744
© Copyright 2015 Integrated Publishing, Inc.
A Service Disabled Veteran Owned Small Business