
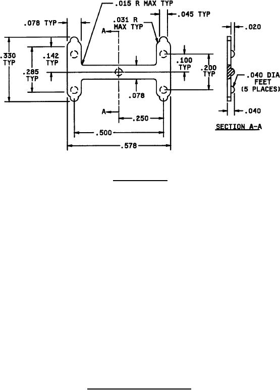
A-A-55485/6B
A-55485/06-022
Inches
mm
.015
0.38
.020
0.51
.031
0.71
.040
1.02
.045
1.14
.078
1.98
.100
2.54
.142
3.61
.200
5.08
.250
6.35
.285
7.24
.330
8.38
.500
12.70
.578
14.60
FIGURE 1. Configurations and dimensions - Continued.
11
For Parts Inquires call Parts Hangar, Inc (727) 493-0744
© Copyright 2015 Integrated Publishing, Inc.
A Service Disabled Veteran Owned Small Business