
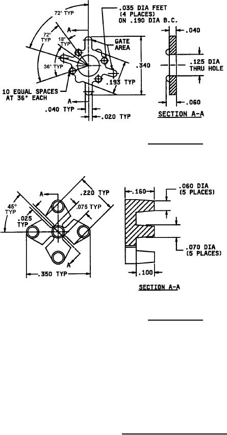
A-A-55485/6B
Inches
mm
.020
0.51
.035
0.89
.040
1.02
.060
1.52
.125
3.18
.190
4.83
193
4.90
.340
8.64
A-55485/06-013
Inches
mm
.025
0.64
.060
1.52
.070
1.78
.075
1.91
.100
2.54
.160
4.06
.220
5.59
.350
8.89
A-55485/06-014
FIGURE 1. Configurations and dimensions - Continued.
9
For Parts Inquires call Parts Hangar, Inc (727) 493-0744
© Copyright 2015 Integrated Publishing, Inc.
A Service Disabled Veteran Owned Small Business