
INCH-POUND
MIL-DTL-83528/14A
5 January 2001
SUPERSEDING
MIL-G-83528/14
7 January 1992
DETAIL SPECIFICATION SHEET
Gasketing Material, Conductive, Shielding Gasket, Electronic, Elastomer,
EMI/RFI, for Use in Time Totalizing Meters Covered by MIL-M-7793.
This specification is approved for use by all Departments
and Agencies of the Department of Defense.
The requirements for acquiring the relay described herein shall
consist of this specification and the latest issue of MIL-DTL-83528.
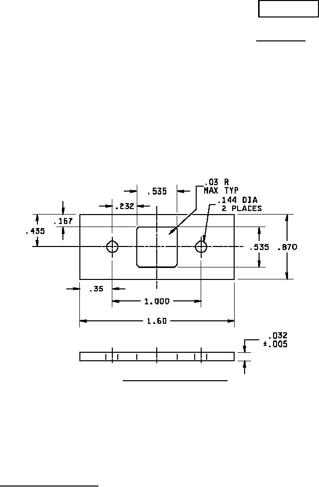
PIN M83528/014X001 (see note 3)
FIGURE 1. EMI/RFI gaskets for time totalizing meters.
AMSC N/A
1 of 2
FSC 5999
DISTRIBUTION STATEMENT A . Approved for public release; distribution is unlimited.