
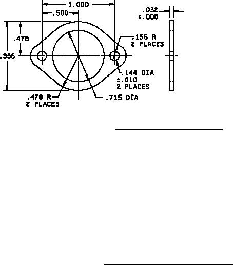
MIL-DTL-83528/14A
Inches
mm
Inches
mm
.005
0.13
.435
11.05
.010
0.25
.478
12.14
.03
0.8
.500
12.70
.032
0.81
.535
13.59
.144
3.66
.715
18.16
.156
3.96
.870
22.10
.167
4.24
1.000
25.40
.232
5.89
1.60
40.6
.35
8.9
PIN M83528/014X002 (see note 4)
NOTES:
1. Dimensions are in inches.
2. Metric equivalents are given for general information only.
3. Unless otherwise indicated, tolerances for PIN M83528/014X001 are:
.XXX = ±.010
.XX = ±.03
4. Unless otherwise indicated, tolerance for PIN M83528/014X002 is ±.015.
5. Cross section area (for calculation of volume resistivity):
2
M83528/014X001 + 0.1806 cm
2
M83528/014X002 + 0.0291 cm
FIGURE 1. EMI/RFI gaskets for time totalizing meters - Continued.
REQUIREMENTS:
Design and interface: See figure 1.
Materials: All.
Part or Identifying Number (PIN): See figure 1. The X in the PIN shall be replaced with a letter to denote material
type.
Custodian:
Preparing activity:
Army - CR
DLA - CC
Navy - EC
Air Force - 11
(Project 5999-0367)
DLA - CC
Review activities:
Air Force - 19, 99
2