
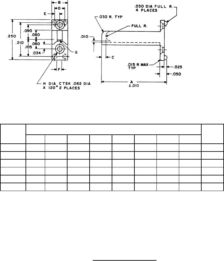
A-A-55485/11A
Inches
mm
.010
0.25
.015
0.38
.025
0.64
.030
0.76
.032
0.81
.034
0.86
.040
1.02
.050
1.27
.055
1.40
.060
1.52
.062
1.57
.080
2.03
.090
2.29
.100
2.54
.105
2.67
.110
2.79
.150
3.81
.210
5.33
.250
6.35
.312
7.92
.437
11.10
.562
14.27
Dimensions
Material
PIN
A-
A
B
C
D
E
F
G
H
55485/11-
001
.312
.100
.030
.060
.030
.030
.055R
.030
A
002
.437
.100
.030
.060
.030
.030
.055R
.030
A
003
.562
.150
.040
.110
.055
.040
.080R
.040
A
004
.312
.100
.030
.060
.030
.030
.055R
.030
C
005
.437
.100
.030
.060
.030
.030
.055R
.030
C
006
.562
.150
.040
.110
.055
.040
.080R
.040
C
NOTES:
1. Dimensions are in inches.
2. Metric equivalents are given for general information only.
3. Unless otherwise specified, tolerance is ±.005 (0.13 mm).
FIGURE 1. Configurations and dimensions.
2
For Parts Inquires call Parts Hangar, Inc (727) 493-0744
© Copyright 2015 Integrated Publishing, Inc.
A Service Disabled Veteran Owned Small Business