
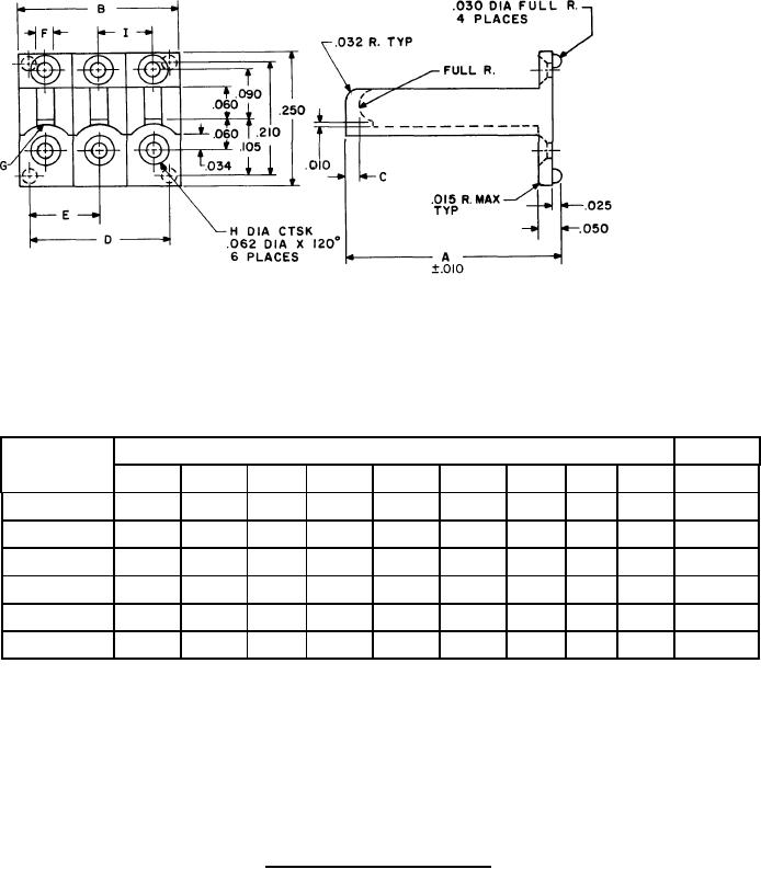
A-A-55485/11A
Inches
mm
.010
0.25
.015
0.38
.025
0.64
.030
0.76
.032
0.81
.034
0.86
.040
1.02
.050
1.27
.055
1.40
.060
1.52
.062
1.57
.080
2.03
.090
2.29
.100
2.54
.105
2.67
.130
3.30
.150
3.81
.205
5.21
.200
5.08
.210
5.33
.250
6.35
.260
6.60
.300
7.62
.312
7.92
.410
10.41
.437
11.10
.450
11.43
.562
14.27
PIN
Dimensions
Material
A-55485/11-
A
B
C
D
E
F
G
H
I
013
.312
.300
.030
.260
.130
.030
.055R
.030
.100
A
014
.437
.300
.030
.260
.130
.030
.055R
.030
.100
A
015
.562
.450
.040
.410
.205
.040
.080R
.040
.150
A
016
.312
.300
.030
.260
.130
.030
.055R
.030
.100
C
017
.437
.300
.030
.260
.130
.030
.055R
.030
.100
C
018
.562
.450
.040
.410
.205
.040
.080R
.040
.150
C
NOTES:
1. Dimensions are in inches.
2. Metric equivalents are given for general information only.
3. Unless otherwise specified, tolerance is ±.005 (0.13 mm).
FIGURE 1. Configurations and dimensions - Continued.
4
For Parts Inquires call Parts Hangar, Inc (727) 493-0744
© Copyright 2015 Integrated Publishing, Inc.
A Service Disabled Veteran Owned Small Business