
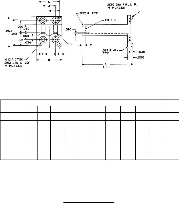
A-A-55485/11A
Inches
mm
.010
0.25
.015
0.38
.025
0.64
.030
0.76
.032
0.81
.034
0.86
.040
1.02
.050
1.27
.055
1.40
.060
1.52
.062
1.57
.075
1.91
.080
2.03
.090
2.29
.100
2.54
.105
2.67
.130
3.30
.150
3.81
.160
4.07
.200
5.08
.210
5.33
.250
6.35
.260
6.60
.300
7.62
.312
7.92
.437
11.10
.562
14.27
Material
PIN
Dimensions
A-55485/11-
A
B
C
D
E
F
G
H
I
J
.055R
.030
.050
.100
A
007
.312
.200
.030
.160
.080
.030
Typ
.055R
008
.437
.200
.030
.160
.080
.030
.030
.050
.100
A
Typ
.080R
.040
.075
.150
A
009
.562
.300
.040
.260
.130
.040
Typ
.055R
.030
.050
.100
C
010
.312
.200
.030
.160
.080
.030
Typ
.055R
011
.437
.200
.030
.160
.080
.030
.030
.050
.100
C
Typ
.080R
.040
.075
.150
C
012
.562
.300
.040
.260
.130
.040
Typ
NOTES:
1. Dimensions are in inches.
2. Metric equivalents are given for general information only.
3. Unless otherwise specified, tolerance is ±.005 (0.13 mm).
FIGURE 1. Configurations and dimensions - Continued.
3
For Parts Inquires call Parts Hangar, Inc (727) 493-0744
© Copyright 2015 Integrated Publishing, Inc.
A Service Disabled Veteran Owned Small Business